- 2024-03-31 22:57:44 鈦鎳儲罐廠家談鈦設備的焊接性問題與制造要點
在全球能源加速轉型、我國新能源轉向全面推廣的關鍵期,減少化石能源消耗首當其沖。習近平總書記在 2020 年 9 月 22 日聯合國大會上提出“力爭 2030年碳達峰,2060 年碳中和”的戰略目標,中國石油天然氣集團公司制定了“清潔替代、戰略接替、綠色轉型”的三步走戰略,明確“2025 年碳達峰,2050 年近零排放”的目標路徑。
遼河油田原油產量連續 30 年保持千萬噸規模,其中,稠油、超稠油產量約占 60%,2021 年生產系統消耗天然氣18. 2 億 m3、電22. 4 億 kW·h,折合269. 59 萬 t標煤,CO22排放量 567. 54 萬 t,能耗主要為天然氣。隨著近年來光熱發電項目建設,熔鹽儲熱技術為油田“以電代氣”,綠色轉型提供了技術選擇,因此,在油氣生產高能耗系統應用熔鹽儲熱技術,不僅有利于油田清潔能源替代,減碳排綠色發展,同時為國家電網起到填谷作用,以接納更多的風電容量,降低電網棄風率 [1-3] 。
1、 熔鹽簡介
熔鹽一般是指無機鹽或其混合物的熔融態液體。
常見的熔鹽由堿金屬的硝酸鹽、氯化鹽、氟化鹽、碳酸鹽等組成,每種熔鹽的特性見表 1 [4] 。

由表 1 可見,硝酸鹽熔點低、腐蝕性低并已廣泛應用于太陽能發電及電加熱熔鹽儲能熱力站等領域 [5] 。工程上常用的硝酸熔鹽分別為二元鹽(40% 硝酸鉀(KNO 3 )、60% 硝酸鈉(NaNO3) )和三元鹽(53% 硝酸鉀 ( KNO3 )、40% 亞 硝 酸 鈉 ( NaNO2 )、7% 硝 酸 鈉(NaNO3 )),特性參數見表 2,二元鹽具有上限使用溫度高,接觸空氣不氧化,高溫下黏度接近于水,具有較好的流動性等特點,整個系統運行更加安全 [6-8] 。

2、 熔鹽儲熱技術簡介
熔鹽儲熱技術于 20 世紀 80 年代就已經在光熱發電領域中應用[9] ,熔鹽作為儲熱工質,被聚焦光斑加熱后進入高溫罐儲存,可以解決光熱發電中的能源儲存難題,發電時作為傳熱工質與給水換熱產生過熱蒸汽,驅動汽輪機做功[10] 。表 3 為國內外光熱發電成功案例,表 4 為青海德令哈光熱發電具體參數[11] 。該技術在油田生產領域尚無應用,可以借鑒其儲熱放熱循環技術,開展相關技術研究與應用 [12-14] 。

3、 油田井場生產現狀
遼河井場加熱爐數量多且布置分散,主要用于采出液加熱升溫,加熱爐的平均負荷率多在 60% ~70%,一般從 30 ℃左右升溫至 60 ℃左右,井場加熱爐規格有 32、90、170、290 kW 等,實際常用的加熱負荷為 30、60 kW。以遼河油田某采油井場生產實際為例,加熱液量為 25 m3/d,含水率 84%,加熱溫度為 26 ~50 ℃,計算加熱負荷為 26. 85 kW。
4 、熔鹽儲熱技術在油田生產的探索
在現有熔鹽儲熱技術基礎上[15-17] ,創新熔鹽—熱風換熱技術路線,利用谷時電(22∶ 00—5∶ 00)或結合光伏發電系統白天時段進行補電,通過設置在熔鹽儲罐的電加熱器,將熔鹽由 260 ℃加熱至 340 ℃,電能轉化為熱能儲存在熔鹽中;全天連續釋放高溫熔鹽中的熱能,通過鼓風機將空氣與高溫熔鹽換熱成熱風(220/170 ℃),熱風再與采出液進行換熱,將采出液提溫后外輸。詳細設計如下:
1)設計參數及熔鹽基礎數據
(1)熔鹽儲熱橇設計加熱/儲熱功率:30/120 kW;
(2)熔鹽設計溫度:260 ~340 ℃(二元熔鹽);
(3)熔鹽密度:1 924 ~1 873 kg/m3;
(4)熔鹽熱容:1 488 ~1 502 J/(kg·K);
(5)熔鹽儲罐:20 m3。
2)主要設備設計
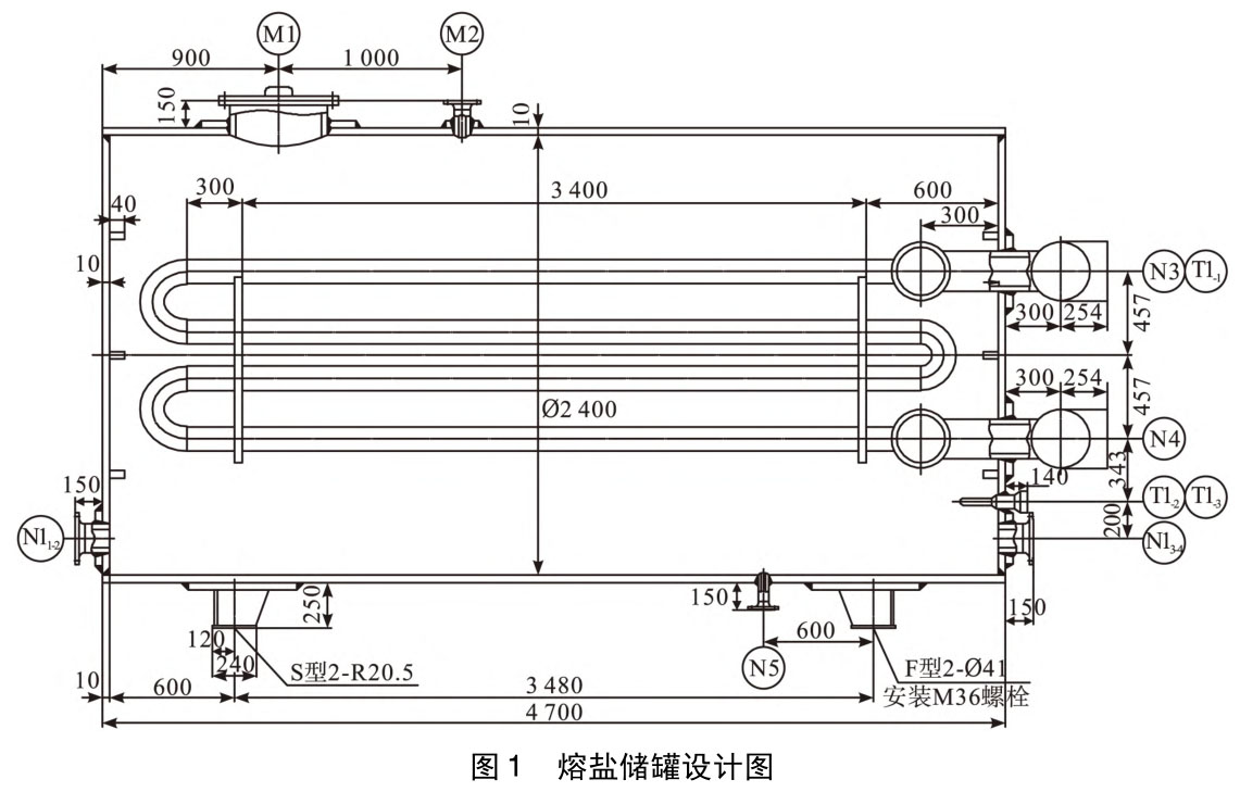
(1)熔鹽儲罐。設備為臥式結構,鞍座支撐型式,鞍座采用 120°包角,設有電加熱器供熔鹽蓄熱使用,設備內部設有加熱盤管供熔鹽給空氣加熱(見圖 1)。

(2)設備主要參數:
直徑:2 400 mm;
筒體長度:4 700 mm;
設計壓力:管程:0. 77 kPa/殼程:常壓;
工作溫度:管程:170 ~220 ℃ /殼程:260 ~340 ℃;
工作介質:管程:空氣/殼程:熔鹽;
主要材質:管程:20 鋼管/殼程:Q345R 鋼板;
殼體厚度:10 mm;
設備總重:8. 05 t;
管道換熱參數:換熱面積:80 m2 。
3)熔鹽 - 熱風換熱器
設備為臥式結構,鞍座支撐型式,鞍座采用 120°包角,本設備設置上下兩個筒體,通過換熱盤管連接為一體,含水油在管程輸送,殼程內為熱空氣給盤管內含水油加熱(見圖 2)。

設備主要參數:
直徑:600 mm;
筒體長度:3 050 mm;
設計壓力:管程:1. 0 MPa/殼程:常壓;
工作溫度:管程 35 ~50 ℃ /殼程:170 ~220 ℃;
工作介質:管程:含水油/殼程:空氣;
主要材質:管程:20 鋼管/殼程:Q345R 鋼板;
殼體厚度:8 mm;
設備總重:2 t;
管道換熱參數:換熱面積:20m2 。
5、 熔鹽儲熱技術在油田生產的應用效果及意義
通過理論分析計算,遼河油田建設一臺試驗裝置,并于 2023 年 1 月投產運行,目前運行平穩。該裝置每天利用 7 小時谷時電(840 kW·h)加熱熔鹽儲存熱量(2 963 MJ),通過熱風循環換熱系統全天連續加熱采出液,采出液溫度由 26 ℃加熱至 50 ℃后(全天熱量 2758 MJ),外輸至集油平臺,綜合熱效率為91. 2%,達到節省天然氣2. 7 萬方/年,減排二氧化碳58. 4 t/年的運行效果。

該裝置的投產,填補了熔鹽儲熱技術在油田生產的技術空白,可以幫助技術人員建立對熔鹽特性的認識,分析系統中熔鹽各部分的換熱效率,掌握熔鹽系統運行與維護安全措施,分析對比熔鹽儲熱與其他儲熱方式的不同,探索建造、運行、安全、環保、碳交易、電價機制等一系列生產運營經驗,為熔鹽儲熱技術逐步擴大建設規模,應用于采油站、聯合站及注汽系統加熱積累經驗,實現油田生產的綠色低碳轉型發展,助力雙碳目標實現。
參考文獻
[1]劉炳成. 降低熔鹽結晶率[J]. 當代化工研究,2018(8):106 -107.
[2]劉中博,張建亮. 熔鹽儲罐泄漏原因分析及建議[J]. 電力設備管理,2023(18):204 -206.
[3]向錫炎,周孑民,陳曉玲,等. 熔鹽爐及熔鹽加熱系統[J].工業加熱,2008,37(2):30 -33.
[4]齊忠誠,朱志偉,李 凌. 熔鹽蓄熱裝置預熱過程的數值模擬[J]. 化學工程,2023,51(8):12 -17.
[5]吳 婭,王方明,王毅. 熔鹽儲能在鋼鐵發電系統中的應用[J]. 冶金動力,2023(4):1 -5,16.
[6]蔡勝利. 熔鹽爐事故原因分析[J]. 輕金屬,2000(9):12 -14.
[7]喬正陽. 熔鹽爐的改造及性能分析[J]. 工業爐,2021,43(4):60 -62.
[8]羅志波,王懷有,王 敏,等. 純度對 60% NaNO 3 - 40%KNO 3 二元熔鹽熱物性的影響[J]. 無機鹽工業,2023,55(6):43 -49.
[9]高宏星,柳 維. 熔鹽在固堿生產中的應用[J]. 中國氯堿,2017(12):6 -7.
[10]葉冬挺,鄭維棟,李芳芽,等. 高溫熔鹽儲罐泄漏原因及預防措施[J]. 設備管理與維修,2023(1):149 -151.
[11]張鐘平,劉 亨,謝玉榮,等. 熔鹽儲熱技術的應用現狀與研究進展[J],綜合智慧能源,2023,45(9):45 -47.
[12]胡 瓏. 提高熔鹽系統運行率[J]. 當代化工研究,2018(6):66 -67.
[13]林俊光,仇秋玲,羅海華,等. 熔鹽儲熱技術的應用現狀[J]. 上海電氣技術,2021,14(2):70 -73.
[14]孫育濱,高 偉. 熔鹽換熱系統在化工行業的應用[J]. 廣東化工,2022,49(11):21 -23.
[15]魏子敬. 熔鹽儲熱技術在供熱領域的應用[J]. 科技創新與應用,2022,12(2):186 -188.
[16]張國龍,居文平,常東鋒,等. 電阻式熔鹽加熱器動態建模與參數化分析[J]. 熱力發電,2023,52(9):155 -161.
[17]張士憲,趙曉萍,時彥林. 熔鹽的應用及發展前景[J]. 中小企業管理與科技,2017(14):126 -127.
tengyuti.com
騰宇微信二維碼